鉅大鋰電 | 點擊量:0次 | 2020年05月23日
變頻器的原理、應用、結構和選型知識解析
我們常常聽到的變頻空調等。那么究竟變頻器是什么呢?
變頻器原理
變頻是現代電力電子技術領域發展而來的,是我們常用的直流電與交流電之間的變換裝置。它還可以改變我們交流電的頻率,來控制交流電動機的電力控制設備。變頻器主要由整流(交流變直流)、濾波、逆變(直流變交流)、制動單元、驅動單元、檢測單元微處理單元等組成。

變頻器靠內部IGBT的開斷來調整輸出電源的電壓和頻率,根據電機的實際需要來提供其所需要的電源電壓,進而達到節能、調速的目的,另外,變頻器還有很多的保護功能,如過流、過壓、過載保護等等。

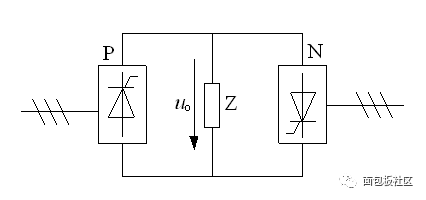
上圖為變交流頻率的電路,P、N為變流器電路,可以把交流電整定為直流電,并加載到負荷Z,當給P的脈沖信號成正弦規律時,整定出的直流呈正弦的規律,為正弦曲線的上半部分,周期為脈沖信號的正弦規律周期,是交流電周期的整數倍。通過P和N的配合,就形成了在負荷Z上的周期正弦電流,并且頻率可以根據脈沖信號周期調節,這就是變頻器的工作原理。
變頻空調就是裝載這種變頻器的,可以使空調運行在不同的頻率下,可以根據你設定的溫度與室溫進行比較自動調整運行頻率,溫差大運行頻率就高,制冷或制熱就快,反之就小。當房間溫度接近設置溫度時,保持最低頻運行(運行頻率越低,功率就越小,耗電量也就越低),避免室外壓縮機的頻繁啟動,從而節約電能。
另外,變頻器運用在電動機上,可以實現無級調速,這在汽車、機車等領域廣泛運用,實現了速度調節的連續性。
變頻器主電路結構
一般認為,從主電路的結構和原理上可以認為電路分為電壓型結構和電流型控制結構;從工作方式上,變頻器的主要功能是實現交流到交流的電能變換,故而,這種電路工作方式是交交變換或者是交直交變換的形式。

這兩種變換電路在本質功能上屬于不同的電路結構,兩者各有不同特點。對于交交變頻器,省去了直流的中間環節,但是開關管的數量并沒有降低,往往一個橋臂需要的開關管的數量會增加一倍,這種電路結構常見于超大功率的低速調節電路。其最大的缺點是輸出的電源頻率必須小于電網頻率的1/3或者1/2,否者輸出的電壓波形畸變很大,故適合電機低速的場合。最新的研究中,矩陣式的電流結構得到了越來越多的關注,但是,這種電路結構最大的問題在于控制的復雜性,往往需要復雜的調制策略。
另外一種通用性較強的電路結構是交直交的主電路結構,從工作方式上又可以分為電壓型和電流型結構,前者的使用范圍較為廣泛。
其特點是:中間為電解電容儲存提供母線電壓,前級采用二極管不控整流,簡單可靠,逆變采用三相PWM調制(目前調制算法是空間電壓矢量)。由于采用了一定容量的電解電容,所以直流母線電壓穩定,此時只要控制好逆變IGBT的開關順序(輸出相序、頻率)和占空比(輸出電壓大小),就可以獲得非常優越的控制特性。
采用電壓型交直交變頻器這種整流變頻裝置具有結構簡單、諧波含量少、定轉子功率因數可調等優異特點,可以明顯地改善雙饋發電機的運行狀態和輸出電能質量,并且該結構通過直流母線側電容完全實現了網側和轉子側的分離。電壓型交直交變頻器的雙饋發電機定子磁場定向矢量控制系統,實現了基于風機最大功率點跟蹤的發電機有功和無功的解耦控制,是目前變速恒頻風力發電的一個代表方向。
為了適應不同的電網工作狀況,對變頻器提出了更多的要求,為了適應不同的電網電壓的要求,有些變頻器會在電路結構中加入直流占波部分,將電壓按照電機的工況要求進行升壓,比如加入boost電路。在電網噪聲比較大的情況下,為了保證電路的正常使用,會加入前段的濾波電路。

變頻器如何選型
工業控制中經常使用工業變頻器,如何為這些運動電機選擇合適的變頻器是一個被大家較為關注的問題。這個問題,應該依據現場的工作環境,被控制的對象,速度要求的范圍,穩態速度精度,轉矩要求,以及現場布線情況來進行要求。在生產工藝和生產經濟性之間進行一個平衡。
變頻器的選型依據是按照變頻器的工作電流特性曲線包括負載電流曲線這一原則作為依據的。定性的來說,從電壓匹配,電流匹配,轉矩匹配上進行選型。這就要求我們隊現場的用電情況有一個全面徹底的了解,對用電電壓的等級,電壓的波形質量進行全方位的了解,以保證變頻器能夠正常的工作,其次,要對負載有一定的認知,負載的性能曲線決定了變頻器的應用方法,普通的離心泵變頻器的額定電流與電機的額定電流相符,深水泵則需要更大的電流。
工程上的經驗是,使用的電機功率多大,就是使用多大功率的變頻器,一般為了留出余量,會使用稍微大規格的變頻器。若現場的電機需要頻繁的啟動和制動,則必須要安裝制動電阻,制動電阻的大小應該依據功率的大小選定。若工廠的環境比較惡劣,粉塵較大,散熱比較困難,可以選擇水冷式的變頻器,這樣可以有效的防止模塊的炸裂,此外有效的降低了噪聲。若是需要做老化測試的設備,可以考慮使用四象限的產品,有效的降低功率損耗。若現場有單獨的直流電,可以只使用純逆變的模組節約投入。此外,在大功率的變頻器進線端,必須加入電抗器,這樣既可以改善輸入設備的電能質量,也可以提高設備的功率因數。
此外,根據變頻器的功能可以選擇不同精度的控制電機,一般的工業電機為交流感應電機,可以使用恒壓控制或者恒流控制,根據電機類型的不同,使用的設備也不完全一樣。根據電機的控制目的不同可以選擇的變頻器功能也不盡相同。
在使用變頻器驅動高速電機時,由于高速電機的電抗小,高次諧波增加導致輸出電流值增大。因此用于高速電機的變頻器的選型,其容量要稍大于普通電機的選型。變頻器如果要長電纜運行時,此時要采取措施抑制長電纜對地耦合電容的影響,避免變頻器出力不足,所以在這樣情況下,變頻器容量要放大一檔或者在變頻器的輸出端安裝輸出電抗器。對于一些特殊的應用場合,如高溫,高海拔,此時會引起變頻器的降容,變頻器容量要放大一擋。
在一些精度要求嚴格的場合,需要對電機進行一系列測試后然后選型,甚至對電機的旋轉編碼器也提出了一定的要求。總而言之,因事因地制宜,根據不同的現場狀況選擇不同的電機和變頻器是一條不變的準則。
變頻器十二問
1、電壓型與電流型有什么不同?
變頻器的主電路大體上可分為兩類:電壓型是將電壓源的直流變換為交流的變頻器,直流回路的濾波是電容;電流型是將電流源的直流變換為交流的變頻器,其直流回路濾波是電感。
2、電動機使用工頻電源驅動時,電壓下降則電流增加;對于變頻器驅動,如果頻率下降時電壓也下降,那么電流是否增加?
頻率下降(低速)時,如果輸出相同的功率,則電流增加,但在轉矩一定的條件下,電流幾乎不變。
3、采用變頻器運轉時,電機的起動電流、起動轉矩怎樣?
采用變頻器運轉,隨著電機的加速相應提高頻率和電壓,起動電流被限制在150%額定電流以下(根據機種不同,為125%~200%)。用工頻電源直接起動時,起動電流為額定電流6~7倍,因此,將產生機械電氣上的沖擊。
采用變頻器傳動可以平滑地起動(起動時間變長)。起動電流為額定電流的1.2~1.5倍,起動轉矩為70%~120%額定轉矩;對于帶有轉矩自動增強功能的變頻器,起動轉矩為100%以上,可以帶全負載起動。
4、在說明書上寫著變速范圍60~6Hz,即10:1,那么在6Hz以下就沒有輸出功率嗎?
在6Hz以下仍可輸出功率,但根據電機溫升和起動轉矩的大小等條件,最低使用頻率取6Hz左右,此時電動機可輸出額定轉矩而不會引起嚴重的發熱問題。變頻器實際輸出頻率(起動頻率)根據機種為0.5~3Hz。。
5、對于一般電機的組合是在60Hz以上也要求轉矩一定,是否可以?
通常情況下時不可以的。
6、所謂開環是什么意思?
給所使用的電機裝置設速度檢出器(PG),將實際轉速反饋給控制裝置進行控制的,稱為“閉環”,不用PG運轉的就叫作“開環”。通用變頻器多為開環方式,也有的機種利用選件可進行PG反饋.無速度傳感器閉環控制方式是根據建立的數學模型根據磁通推算電機的實際速度,相當于用一個虛擬的速度傳感器形成閉環控制。
7、實際轉速對于給定速度有偏差時如何辦?
開環時,變頻器即使輸出給定頻率,電機在帶負載運行時,電機的轉速在額定轉差率的范圍內(1%~5%)變動。對于要求調速精度比較高,即使負載變動也要求在近于給定速度下運轉的場合,可采用具有PG反饋功能的變頻器(選用件)。
8、失速防止功能是什么意思?
如果給定的加速時間過短,變頻器的輸出頻率變化遠遠超過轉速(電角頻率)的變化,變頻器將因流過過電流而跳閘,運轉停止,這就叫作失速。為了防止失速使電機繼續運轉,就要檢出電流的大小進行頻率控制。當加速電流過大時適當放慢加速速率。減速時也是如此。兩者結合起來就是失速功能。
9、有加速時間與減速時間可以分別給定的機種,和加減速時間共同給定的機種,這有什么意義?
加減速可以分別給定的機種,對于短時間加速、緩慢減速場合,或者對于小型機床需要嚴格給定生產節拍時間的場合是適宜的,但對于風機傳動等場合,加減速時間都較長,加速時間和減速時間可以共同給定。
10、為什么用離合器連接負載時,變頻器的保護功能就動作?
用離合器連接負載時,在連接的瞬間,電機從空載狀態向轉差率大的區域急劇變化,流過的大電流導致變頻器過電流跳閘,不能運轉。
11、什么是變頻分辨率?有什么意義?
對于數字控制的變頻器,即使頻率指令為模擬信號,輸出頻率也是有級給定。這個級差的最小單位就稱為變頻分辨率。
變頻分辨率通常取值為0.015~0.5Hz.例如,分辨率為0.5Hz,那么23Hz的上面可變為23.5、24.0Hz,因此電機的動作也是有級的跟隨。這樣對于像連續卷取控制的用途就造成問題。
在這種情況下,如果分辨率為0.015Hz左右,對于4級電機1個級差為1r/min以下,也可充分適應。另外,有的機種給定分辨率與輸出分辨率不相同。
12、為什么變頻器不能用作變頻電源?
變頻電源的整個電路由交流一直流一交流一濾波等部分構成,因此它輸出的電壓和電流波形均為純正的正弦波,非常接近理想的交流供電電源。
可以輸出世界任何國家的電網電壓和頻率。而變頻器是由交流一直流一交流(調制波)等電路構成的,變頻器標準叫法應為變頻調速器。
其輸出電壓的波形為脈沖方波,且諧波成分多,電壓和頻率同時按比例變化,不可分別調整,不符合交流電源的要求。原則上不能做供電電源的使用,一般僅用于三相異步電機的調速。
上一篇:變頻器上電無顯示,是什么原因
下一篇:變頻器可以當變頻電源使用嗎










